PRODUKTY
CENÍK
DODAVATELÉ
KE STAŽENÍ
PODPORA
ELEKTROODPAD
ETH
KONTAKT
|
Školení pro montážní a servisní firmy
na kotle výrobce Agromechanika v.o.s.
a na výrobky KTR s.r.o.
Datum konání: 6.5.2026
Místo konání: Hasičský klub Vadkov u Lhenic
Pozvánka Přihláška Mapka

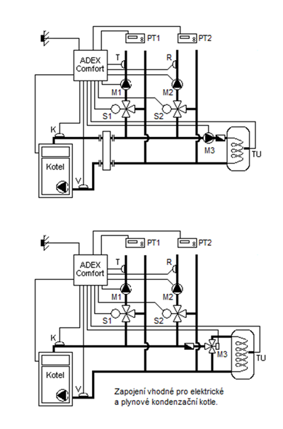
Od 1.2.2026 rozšíření možností regulátoru ADEX Comfort D o další dvouvětvové systémy:
D13:
D12: 
Od 1.10.2025 doplněn do regulátoru ADEX comfort D Systém D11 se dvěma topnými okruhy:
D11: 
Od 1.9.2025 rozšiřujeme sortiment o novou variantu regulátoru ADEX Comfort D s displejem. 
Regulátor obsahuje v základu 4 teplotní čidla. Výstupy pro tři oběhová čerpadla, kotel a dva tříbodové servopohony 230V.
Umožňuje použití v 11 různých typech otopných soustav.
Nejčastěji používané zapojení D7: 
Nezávislé programování topení a ohřevu TUV.
Leták ZDE, Návod ZDE. Ceník ZDE.

Od roku 2025 zařazujeme do prodeje tříbodové servopohony AFRISO na 24 i 230V. Jedná se o typy ARM342 a ARM343. K servopohonům dodáváme i adaptér na ventily ESBE VRG.

Od nového roku máme v nabídce záložní zdroje se sinusovým výstupem, vhodné pro všechny aplikace.
Regulátory ADEX rozšiřujeme o variantu ADEX MIDI AFRISO. Jedná se o komplet regulátoru se servopohonem pro regulaci kotlového okruhu.

Jedná se funkčně o obdobu regulátorů ADEX MIDI 2010 a 2020. Nabízí jednodušší montáž a připojení čerpadla přes síťovou vidlici. V případě potřeby je tak snadné čerpadlo přepojit na trvalý chod do běžné zásuvky.

Do prodeje zařazen elektronický termostat se dvěma čidly ADEX TAKU.
Je určen především pro omezení četnosti spínání automatických kotlů při nabíjení akumulační nádrže. Nabíjí se celá akumulační nádrž a nové sepnutí zdroje nastane až po vybití akumulační nádrže v celém objemu.

Od 1.7.2024 nový ceník. Sleva na servopohony ESBE.

ADEX MIDI 2020:
 

Základní použití regulátorů ADEX
Regulátory ADEX se nejčastěji používají v soustavách, kde je požadována teplotní ochrana kotlů. Typickým příkladem je soustava s kotlem s ocelovým výměníkem. Je to velká většina kotlů na tuhá paliva (uhlí, dřevo, pelety) ale také některé plynové kotle. Tyto kotle vyžadují dodržení provozní teploty výměníku, což se zajišťuje hlídáním teploty vratné kotlové vody. U soustav s oběhovým čerpadlem v kotlovém okruhu by neměla teplota vratné vody dlouhodobě klesnout pod 60°C, u systémů se samotížným kotlovým okruhem pod 55°C. Při provozování kotle na nižších teplotách dochází ke snížení životnosti výměníků kotle. Často se tento jev nazývá nízkoteplotní korozí. U kotlů na tuhá paliva navíc dochází ke zvýšené tvorbě dehtů a celkovému zanášení kotle, což snižuje účinnost. U pyrolýzních kotlů nedochází optimálně k pyrolýze. To má za následek další snížení účinnosti. Uživatelé většinou poznají, že kotel správně "nehučí".
Regulátory ADEX hlídají kotle také proti nechtěnému nárůstu teploty nad havarijní mez. Regulační algoritmus zajistí řízené odpouštění výkonu z kotle tak, aby klesla teplota pod havarijní mez, ale aby současně nedošlo k propláchnutí kotle studenou vodou. Prudká změna teplot kotle škodí konstrukci kotle a navíc by došlo k náběhu kotle do plného výkonu v době, kdy je požadován nízký výkon kotle.
Pro splnění uvedených požadavků se většinou používá následující systém:

Z regulátorů ADEX lze pro tuto aplikaci použít ADEX Comfort R, ADEX Numira R5.1 nebo ADEX EKVI 5.1.
Regulátory Numira se používají tam, kde není žádoucí zásah obsluhy do nastavení regulátoru. Numira nemá žádné nastavovací prvky pro obsluhu. Teplotu topné vody vypočítává podle chování pokojového termostatu a potřebuje několik hodin na seznámení se s otopnou soustavou, na kterou adaptuje regulační algoritmus.
Regulátory EKVI se používají v objektech, kde není možno vybrat referenční místnost a prezentují klasický regulátor podle venkovní teploty.
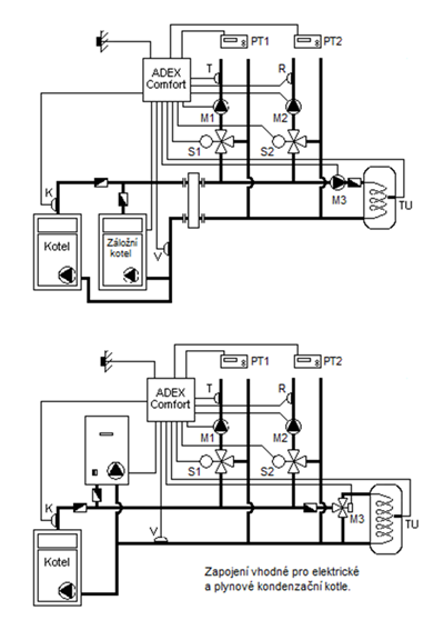
Regulátor Comfort R v sobě slučuje vlastnosti obou předchozích a umožňuje doladit regulační proces pomocí čtyř nastavovacích prvků, přístupných obsluze.
Regulátor Comfort R navíc umožňuje ovládání záložního kotle pro případ, kdy hlavní kotel může vyhasnout a požaduje se automatický přechod na záložní, většinou plynový nebo elektrický kotel.

Kotle na tuhá paliva dosahují nejlepší ekonomičnosti provozu při jmenovitém výkonu. Proto se čím dál častěji osazují v kombinaci s akumulační nádrží. Jedná se o často používanou aplikaci s pyrolýzními kotli na dřevo v kombinaci s akumulací při žádosti o kotlíkovou dotaci. 

Zde je opět nutno zajistit provozní teplotu kotle. K tomu se používá regulátor ADEX MIDI 2010. Kromě hlídání teploty vratné kotlové vody ovládá i podle teplotní diference na kotli oběhové čerpadlo kotle. Zamezuje tak zpětnému vybíjení nabité akumulační nádrže do kotle. Regulátor ADEX Comfort R zase pomocí vyhodnocení teplot z akumulační nádrže a kotlového okruhu nastavuje směšovací ventil topného okruhu s cílem nejprve výkon kotle předat otopné soustavě, přebytky ukládat do akumulační nádrže a po vyhasnutí kotle vyčerpat akumulační nádrž a popřípadě zapnout záložní kotel. K tomu postačuje jen jeden pokojový termostat. Při zátopu v hlavním kotli je automaticky záložní kotel odstaven.
Další zajímavé aplikace regulátorů ADEX
ADEX MIDI RC - Regulační souprava s bezdrátovou komunikací pro víceokruhové systémy. Jednoduchá montáž se sníženými nároky na kabeláž.
NUMIRA N3PT - Regulátor ADEX Numira s programem pro ovládání více čerpadel s jedním směšovacím ventilem.
|
AKTUALITY

1.4.2026
Nový ceník.
1.7.2024
Nový
elektronický termostat ADEX TAKU.
30.7.2021:
Nový leták ADEX MIDI 2020
26.5.2021
Omezena funkčnost pevných telefonních linek. Prosíme o používání telefonu 777 626 802.
10.5.2021
Vstupuje v platnost nový ceník. Ceny zůstávají, přibyl regulátor ADEX MIDI 2020.
14.4.2021
Do prodeje uveden regulátor ADEX MIDI 2020. Jedná se o kompaktní řešení regulátoru se servopohonem, určené k montáži přímo na směšovací ventily ESBE. Je konstruován především pro teplotní ochranu kotlů na tuhá paliva v soustavách s akumulační nádrží, ale najde uplatnění i jinde.
Celý popis a návod ke stažení najdete ZDE.
Zaváděcí cena pro koncové zákazníky za celou soupravu se servopohonem je 4.950Kč + DPH.
15.3.2021
Nový ceník se změnou cen sortimentu ESBE.
13.10.2020
Ke stažení vydána verze 1_9 programu ADEX Controller, doplněná o Systémy 12 a 13.
K plné funkčnosti pro tyto Systémy je nutno mít firmware regulátoru ADEX Comfort R ve verzi 21 a vyšší.
30.8.2019
Aktualizace www stránek KTR. Pro odstranení starých stránek z paměti počítače doporučujeme v prohlížeči vymazat historii prohlížení nebo aktualizovat načtení stránky stiskem F5.
1.6.2018
Zahájení prodeje modulu ADEX ETH pro monitorování regulátoru ADEX Comfort R přes internet
20.2.2018
Nový regulátor ADEX Comfort RK nahradí ADEX MIDI RK
|